Den gevindskårne flange revolutionerer rørledningsforbindelsen ved at tilbyde en sikker, svejsefri løsning til sammenføjning af gevindskårne rør, hvilket gør den til det ultimative valg i miljøer, hvor sikkerhed og tilpasningsevne ikke er til forhandling. Konstrueret med præcis indvendig gevind, integreres denne flange problemfrit med galvaniserede stålrør eller systemer, hvor svejsning er forbudt - såsom brandfarlige, eksplosive eller meget følsomme industrielle omgivelser. Dets innovative design eliminerer brandfarer forbundet med svejsning, og sikrer overholdelse af strenge sikkerhedsprotokoller, samtidig med at den leverer en robust, lækagesikker tætning, der modstår højtrykskrav. Den gevindskårne forbindelse tillader hurtig installation og demontering, hvilket giver vedligeholdelsesteams mulighed for at fejlfinde eller opgradere systemer uden specialudstyr, hvilket reducerer nedetid i kritiske operationer som kemisk behandling, olie- og gasdistribution eller farmaceutisk produktion.
| Størrelse | DN15(1/2")-DN600(24") |
| Trykvurdering | 0,6-4,0 MPa |
| Temperaturområde | -45℃ til 260℃ |
| Certifikat | PED, AD2000, EAC, ABS, BV, DNV, NORSOK M650, ISO9001, ISO14001, ISO45001 osv. |
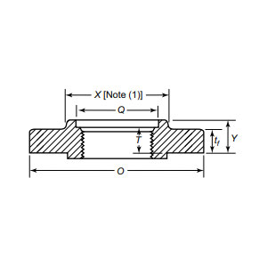
| Funktionsintroduktion | Gevindflangen forbindes med gevindrøret via indvendigt rørgevind, hvilket eliminerer svejsning. Ideel til galvaniserede stålrør eller begrænsede svejsemiljøer (brandfarlige/eksplosive). Har nem installation og fleksibel vedligeholdelse, især velegnet til legeret stål og andre materialer med dårlig svejsbarhed. |
| Ansøgningsfelter | Anvendelig til rørflangeforbindelser i langdistanceolie- og gasrørledninger, offshore-platforme, kemisk udstyr, vandbehandlingssystemer og fødevare- og farmaceutiske industrier, tilpasset komplekse arbejdsforhold. |
| Pakning | Sødygtig pakke, krydsfinerkasser eller palle eller efter kundens krav |
| Udvalgte produkter | 1, Lille batch minimum ordre; |
Ideel til materialer, der er udsat for svejseudfordringer - såsom legeret stål - gevindflangen bevarer materialets integritet og undgår skørhed eller forvrængning forårsaget af varme. Dens korrosionsbestandige konstruktion, tilgængelig i kulstofstål eller rustfrit stål, sikrer lang levetid selv i barske miljøer, fra offshore-boreplatforme til fødevaregodkendte sanitære systemer. Bakket op af streng overholdelse af globale standarder garanterer denne flange pålidelighed i applikationer med høj indsats, herunder hydrauliske systemer, kryogeniske rørledninger og brændbare væskeoverførsler. For industrier, der prioriterer sikkerhed, effektivitet og omkostningseffektiv vedligeholdelse, er gevindflangen en transformativ løsning. Løft din infrastruktur i dag med vores førsteklasses gevindflanger - hvor innovation møder kompromisløs sikkerhed, hvilket gør det muligt for dine systemer at fungere fejlfrit under de mest krævende forhold. Vælg selvtillid, vælg holdbarhed, og redefiner din pipelines potentiale.
Fra råmateriale til endelig levering opretholder vi streng kontrol på alle trin for at sikre holdbarhed, ydeevne og konsistens.
01
02
03
04
05
06
07
08
09
10
11
12
