Lap Joint Flange omdefinerer fleksibiliteten i rørsystemer og tilbyder en dynamisk løsning til håndtering af termiske ekspansions- og kontraktionsspændinger, samtidig med at den muliggør sømløs demontering i lavtryksapplikationer. Ved at kombinere en robust flangering med en drejelig flangekomponent tillader dette innovative design kontrolleret aksial bevægelse af rørledninger og absorberer effektivt temperatur-inducerede skift uden at gå på kompromis med den strukturelle integritet. Tilgængelig i to konfigurationer - Butt Weld Ring Type (PJ/SE) til højpræcisionssvejsede samlinger og Flat Weld Ring Type (PJ/RJ) for forenklet installation - den imødekommer forskellige operationelle behov, samtidig med at den opretholder lækagesikker ydeevne. Konstrueret af førsteklasses kulstofstål eller rustfrit stål, modstår flangen korrosion og mekanisk slid, hvilket sikrer pålidelighed i industrier som kemisk behandling, vandbehandling og fødevareproduktion, hvor hyppig vedligeholdelse eller opgradering af udstyr er rutine.
| Diameter | DN50(2")-DN2000(80") |
| Tryk | 0,6-2,5 MPa |
| Certifikat | PED, AD2000, EAC, ABS, BV, DNV, NORSOK M650, ISO9001, ISO14001, ISO45001 osv. |
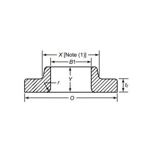
| Funktionsintroduktion | Kombineret med flangering og flangering tillader aksial forskydning af rørledningen og reducerer termisk ekspansionsspænding. Typer: stumpsvejsering (PJ/SE) og fladsvejsering (PJ/RJ). Velegnet til lavtryksrørledninger, der kræver hyppig demontering. |
| Ansøgningsfelter | Anvendelig til rørflangeforbindelser i langdistanceolie- og gasrørledninger, offshore-platforme, kemisk udstyr, vandbehandlingssystemer og fødevare- og farmaceutiske industrier, tilpasset komplekse arbejdsforhold. |
| Pakning | Sødygtig pakke, krydsfinerkasser eller palle eller efter kundens krav |
| Udvalgte produkter | 1、 Lille batch minimum ordre; |
Dens roterende mekanisme forenkler justering under montering, hvilket reducerer arbejdsomkostninger og nedetid i systemer som hydraulisk maskineri, HVAC-netværk eller modulære industrielle opsætninger. Ved at isolere flangebevægelser fra rørledningsspændinger forlænger det levetiden for pakninger og bolte, hvilket reducerer langsigtede udskiftningsudgifter. Fra offshore-platforme, der kræver termisk kompensation til farmaceutiske anlæg, der har brug for sterile forbindelser, der er nemme at rengøre, sikrer Lap Joint Flange overensstemmelse med ASME- og EN-standarder, mens den tilpasser sig til skiftende driftskrav. Bakket op af strenge tests og alsidig kompatibilitet giver det ingeniører mulighed for at designe en robust, fremtidsklar infrastruktur. Opgrader dine rørsystemer i dag med vores Lap Joint Flanges – hvor præcisionsteknik møder adaptiv styrke, hvilket gør det muligt for dine operationer at trives i dynamiske miljøer. Vælg fleksibilitet, vælg udholdenhed, og lås op for en ny æra af effektivitet.
Fra råmateriale til endelig levering opretholder vi streng kontrol på alle trin for at sikre holdbarhed, ydeevne og konsistens.
01
02
03
04
05
06
07
08
09
10
11
12
