Socket Welding Flange omdefinerer højtryksrørledningsforbindelser ved at integrere overlegen styrke med sømløs væskedynamik, konstrueret til at levere uovertruffen ydeevne i kompakte applikationer med høj indsats. Denne flange er designet til rør med lille diameter og anvender en muffesvejsekonfiguration, der indkapsler svejsesamlingen i selve flangen, hvilket eliminerer udvendige svejsefremspring og minimerer strømningsmodstanden - en kritisk fordel i systemer, hvor turbulensreduktion og hygiejne er altafgørende. Den skjulte svejsning strømliner ikke kun rengøring og inspektion i sterile miljøer som farmaceutiske eller fødevareforarbejdningsanlæg, men forbedrer også den strukturelle integritet, modstår vibrationer og trykstød i olie- og gasraffinaderier, kemiske reaktorer eller højtryksdampledninger. Præcisionsbearbejdet af smedet kulstofstål eller rustfrit stål, den kombinerer korrosionsbestandighed med enestående trækstyrke, hvilket sikrer lækagesikker forsegling selv under ekstreme temperaturer og tryk.
| Diameterområde | DN15(1/2")-DN150(6") |
| Trykklassificering | 1,6-16 MPa |
| Certifikat | PED, AD2000, EAC, ABS, BV, DNV, NORSOK M650, ISO9001, ISO14001, ISO45001 osv. |
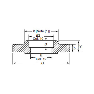
| Funktionsintroduktion | Sokkelsvejseforbindelse, skjult svejsedesign reducerer strømningsmodstanden, Optimeret til højtryksapplikationer med lille diameter, overlegen tætningsydelse |
| Ansøgningsfelter | Anvendelig til rørflangeforbindelser i langdistanceolie- og gasrørledninger, offshore-platforme, kemisk udstyr, vandbehandlingssystemer og fødevare- og farmaceutiske industrier, tilpasset komplekse arbejdsforhold. |
| Pakning | Sødygtig pakke, krydsfinerkasser eller palle eller efter kundens krav |
| Udvalgte produkter | 1 、 Lille batch minimum ordre ; |
Dets kompakte design forenkler installationen i trange rum, mens den robuste forbindelse modstår cyklisk termisk ekspansion, hvilket gør den ideel til offshore-platforme, kraftgenereringsturbiner og hydrauliske systemer. Ved at eliminere potentielle svage punkter og reducere vedligeholdelsescyklusser, giver denne flange industrier mulighed for at prioritere sikkerhed uden at gå på kompromis med effektiviteten. Bakket op af overholdelse af ASME B16.5-standarder og streng ikke-destruktiv testning, garanterer den pålidelighed i missionskritiske operationer. For ingeniører, der søger en kompakt højtryksløsning, der kombinerer holdbarhed med væskeoptimering, er Socket Welding Flange det ultimative valg. Løft din infrastruktur i dag med vores præcisionskonstruerede flanger – hvor innovation møder modstandskraft, så dine systemer kan præstere med præcision, sikkerhed og urokkelig selvtillid. Vælg ekspertise, vælg udholdenhed, og transformer din pipelines potentiale.
Fra råmateriale til endelig levering opretholder vi streng kontrol på alle trin for at sikre holdbarhed, ydeevne og konsistens.
01
02
03
04
05
06
07
08
09
10
11
12
