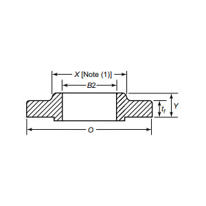
Slip On Flange står som en hjørnesten i omkostningseffektive rørløsninger, der kombinerer enkelhed med pålidelighed for at opfylde kravene til lavtrykssystemer. Denne flange, der er designet til ubesværet integration, glider hen over røret og er sikret via en filetsvejsning, hvilket strømliner installationen og minimerer arbejds- og materialeomkostninger – ideel til budgetbevidste projekter uden at gå på kompromis med ydeevnen. Dens glatte tætningsoverflade (FF) sikrer lækagefri drift i ikke-giftige lavtryksanvendelser såsom kommunale vandnetværk, HVAC-systemer og generelle industrielle rørledninger, mens den forstærkede konkave-konvekse (MF) overflade forbedrer tætningsintegriteten til lidt mere krævende miljøer.
| Diameterområde | DN15(1/2")-DN3000(119") |
| Trykklassificering | PN6-PN16 |
| Certifikat | PED, AD2000, EAC, ABS, BV, DNV, NORSOK M650, ISO9001 ISO14001, ISO45001 osv. |
| Funktionsintroduktion | Enkel svejset struktur, Omkostningseffektiv løsning, Nem installation, FF (Flat Face) til lavtryks ikke-giftige medier, MF (Male-Female) for forbedret tætning |
| Ansøgningsfelter | Anvendelig til rørflangeforbindelser i langdistanceolie- og gasrørledninger, offshore-platforme, kemisk udstyr, vandbehandlingssystemer og fødevare- og farmaceutiske industrier, tilpasset komplekse arbejdsforhold. |
| Pakning | Sødygtig pakke, krydsfinerkasser eller palle eller efter kundens krav |
| Udvalgte produkter | 1, Lille batch minimum ordre; 2、Hurtig levering; 3、Tilpasset produktion; |
Fremstillet af holdbart kulstofstål eller rustfrit stål, det modstår korrosion og mekanisk belastning, hvilket gør det til et alsidigt valg for industrier lige fra fødevareforarbejdning til kemisk fremstilling, hvor hygiejne og nem vedligeholdelse er prioriteret. Det kompakte, lette design forenkler eftermontering og justering, hvilket reducerer nedetid under systemudvidelser eller reparationer. Uanset om den bruges i landbrugsvanding, farmaceutiske faciliteter eller marine rør, tilpasser Slip On Flange sig problemfrit til forskellige layouts og sikrer overholdelse af ASME og EN standarder. Ved at balancere overkommelighed med robust konstruktion giver det ingeniører mulighed for at optimere infrastrukturomkostningerne uden at ofre sikkerheden. Opgrader dine rørledningssystemer i dag med vores Slip On Flanges – hvor enkelhed møder styrke, så du kan bygge smartere, vedligeholde lettere og operere med tillid. Vælg effektivitet, vælg pålidelighed, og transformer din pipeline-infrastruktur i dag.
Fra råmateriale til endelig levering opretholder vi streng kontrol på alle trin for at sikre holdbarhed, ydeevne og konsistens.
01
02
03
04
05
06
07
08
09
10
11
12
